Система речевого оповещения – аппаратный комплекс, который реагирует на пожар или другую аварийную ситуацию и посылает сигнал тревоги. Предназначается для того, чтобы своевременно предупредить людей об опасности и дать указания насчет эвакуации. Зачастую используется на крупных объектах с большим количеством людей: в госучреждениях, торговых центрах, офисных зданиях, цехах.
В штатном порядке аппаратура может применяться для трансляции рекламных объявлений или любой другой информации. В экстренной ситуации включается заранее записанный текст.
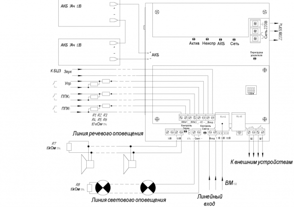
Компоненты системы речевого оповещения
Система речевого оповещения о пожаре может включать в себя следующие компоненты:
· прибор управления оповещением (контроллер) – воспроизводит необходимые сообщения, световые и звуковые сигналы. Может работать как автономно, так и включаться в систему пожарной сигнализации. Бывает цифровым (компьютер) и аналоговым (матричный блок);
· трансляционный многоканальный усилитель – может дополнятся модулями, которые повышают силу звука, поступающего с магнитофона или микрофона;
· комплекс громкоговорителей – настенные, потолочные, рупорные и прочие. Различаются не только конструкцией, но и мощностью трансляции;
· выносной пульт диспетчера – для организации рабочего места диспетчера и дистанционного управления системой;
· блок коммутации и соединительные линии для поддержания связи всех частей и подпитывания оборудования.
Подключается система к пожарной сигнализации здания, от которой и принимает сигналы об экстренных ситуациях.
Все это вы найдете в каталоге нашего магазина. Имеются также специальные панели, которые устанавливаются в помещении и позволяют вызвать диспетчера. Обычно требуется на тот случай, если система сработала вхолостую.
Схема действий системы речевого оповещения о пожаре
При срабатывании сигнализации на пульт диспетчера поступает сигнал тревоги, получение которого он в течение 15 секунд должен подтвердить. Затем он оперативно проверяет, имеет место возгорание или нет. Нормативами выделяется на проверку 3 минуты. Если диспетчер не реагирует, то система автоматически воспроизводит речевое сообщение. Такая же реакция следует, если датчики в помещении срабатывают один за другим.
Проводную систему необходимо регулярно тестировать на пригодность и обслуживать, поскольку от ее исправности зависит дальнейшее развитие событий.
Кроме проводной системы речевого оповещения, существует еще и беспроводной аналог. В этом случае соединительные линии и провода заменяются на радиосвязь. Ее гораздо проще и быстрее установить, а связь получается более надежной, поскольку вы не зависите от целостности проводов, которые со временем могут ломаться. Занимает система минимум места. Однако стоит аналог дороже своего проводного предшественника.
Вся продукция магазина снабжается сертификатами по нормативам пожарной безопасности, поэтому смело может внедряться в пожарные сигнализации или работать автономно.





































































































































































