- Возможен самовывоз заказанной продукции с центрального склада (г. Щёлково) или с торговых точек. Стоимость самовывоза - 0 руб.
- Стоимость перемещения заказа на точку с центрального склада - 0р. Срок перемещения 3 р.д.
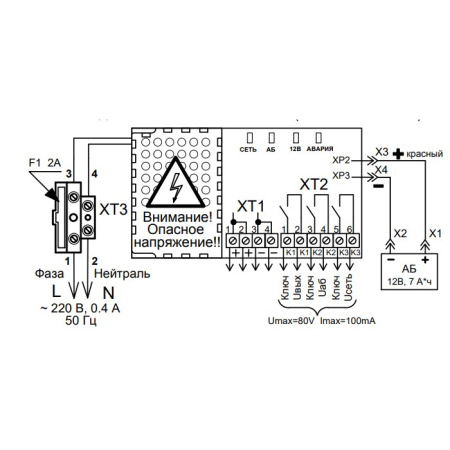
Резервированный источник питания, входное напряжение 150...250 В, выходное напряжение 13...14,2 В, номинальный ток нагрузки 2 А, максимальный ток нагрузки 2,5 А (до 10 минут), под аккумулятор 12 В 7 Ач, световая и звуковая индикация режимов работы, три оптоэлектронных диагностических выхода, защита от короткого замыкания, защита аккумулятора от глубокого разряда, степень защиты оболочки IP30, диапазон рабочих температур -10...+40град. С, габаритные размеры 165х211х90 мм
Назначение: предназначен для питания технических средств пожарной автоматики и других слаботочных систем.
12В; 2А (мах 2,5А); емкость АБ 7Ач; световая индикация; звуковая сигнализация; датчик вскрытия корпуса; защита: от перенапряжения, от КЗ, от переполюсовки АБ; пластиковый корпус, не поддерживающий горение.
Основные особенности РИП-12 исп. 14 (РИП-12-2/7П2-Р):
- Встроенный термодатчик для контроля температуры внутри корпуса и управления процессом заряда АБ
- Проверка состояния АБ тестовой нагрузкой
- Контроль исправности зарядного устройства
- Подключение к сети без провода заземления
- Компактный пластиковый корпус
- Защита с автоматическим восстановлением работоспособности:
- от превышения выходного напряжения
- от перегрузок по выходу
- от «переполюсовки» аккумуляторных батарей (АБ)
- от замыкания клемм подключения АБ
- Контроль:
- сетевого напряжения
- величины выходного напряжения
- величины напряжения АБ
- Передача информации о неисправности или отклонении напряжений от нормы с помощью реле
- Световая индикация и звуковая сигнализация:
- наличие сетевого напряжения в сети
- короткое замыкание или перегрузка по выходу
- заряд АБ
- отключение АБ при её разряде
- отключение выхода РИП
- Контроль вскрытия корпуса
Технические характеристики:
| Напряжение в сети, В | 150-250 | |
| Выходное напряжение, В | при питании от сети | 13,6±0,6 |
| при питании от АБ | 9,5…13,2 | |
| Номинальный выходной ток, А | 2 | |
| Максимальный выходной ток, А (не менее 2 мин) | 2,5 | |
| Максимальная мощность потребляемая от сети, ВА | 60 | |
| Собственный ток потребляемый от АБ, мА, не более | 30 | |
| Защита от превышения выходного напряжения | Да | |
| Емкость АБ, А·ч | 7 | |
| Звуковой сигнализатор | Да | |
| Возможность отключения звука | Да | |
| Количество индикаторов | 4 | |
| Датчик вскрытия корпуса | Да | |
| Количество релейных выходов | 3 (оптореле) | |
| Максимальные напряжение и ток коммутации | 80 В, 100 мА | |
| Время технической готовности | Не более 6 с | |
| Диапазон рабочих температур | от минус 10 до + 40 °C | |
| Относительная влажность | до 90% при +25 °C | |
| Средний срок службы | 10 лет | |
| Тип корпуса, степень защиты (IP) | П2 (IP30) | |
| Корпус | Пластик IP30 | |
| Габариты (ШхВхГ), мм | 165х211х90 | |
| Масса без АБ | 0,5 | |
| Подключение РИП(сечение проводов кв.мм) | РИП-12 исп.14 | |
| к сети | 0,75…2,5 | |
| к нагрузке | 0,5…2,5 | |
| к реле | 0,14…1 | |
| к датчику вскрытия | Нет | |
| Тип монтажа | Настенный, навесной | |
Информация о товаре носит справочный характер, не является публичной офертой и основывается на последних доступных к моменту публикации сведениях






